YSP工业型压力变送器,采用世界最先进的隔离式扩散硅压力敏感组件和高质量的集成电路组装而成,它具有高质量、低价位、能适应各种工业应用的特点,是扩散硅精密机械加工+温度补偿+模拟信号处理技术的结晶,主体电路工艺材料先进,密封固化与外部完全隔离,能满足防潮、防爆、防尘等恶劣工况的要求,选用不同的过程连接件可对强腐性的介质、高低温介质、粘稠介质进行准确测量,精度最高可达0.1%。
产品应用:
YSP工业型压力变送器可广泛应用于石油、化工、钢铁、电力、建材、纺织、制药、食品、气体、科学实验和军工等各个防爆领域,实现对各工艺点压力的计量、监视和控制,提供标准的直流4~20mA 信号输出和HART 通信。
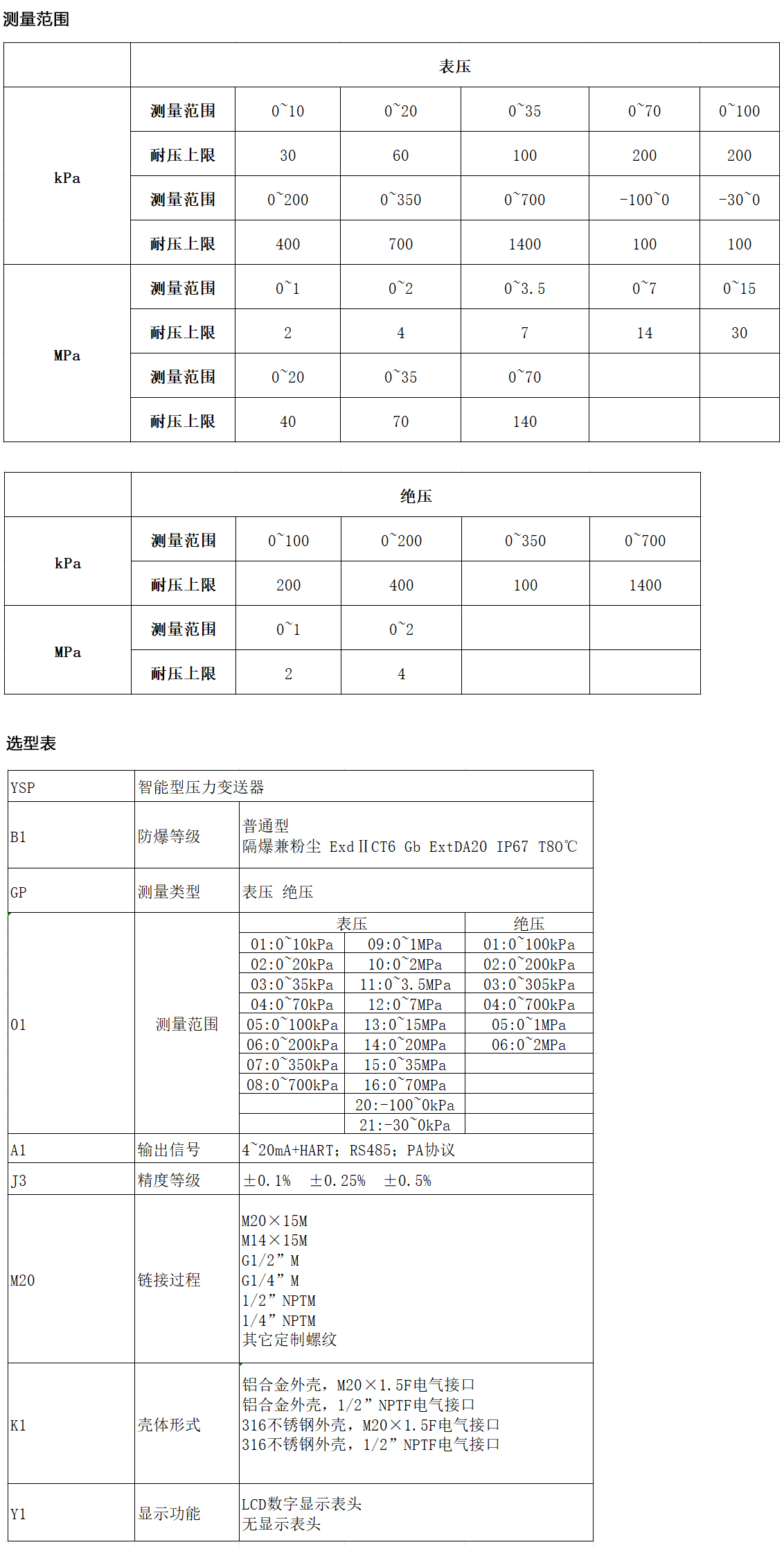
量 程:-0.1~0~70MPa
精度等级:0.1%FS 0.25%FS 0.5%FS
适用介质:液体、气体、蒸汽
输出信号:4~20mA
4~20mA+HART
RS485(MODBUS协议)
电 源:12~30V
大气压力:86~106kPa
湿 度:45~75%RH
安装方式:垂直安装
不可重复性:≤0.1%FS
长期稳定性:≤0.2%FS/年
响应时间:≤80ms
防护等级:IP65
抗 振 性:4g
介质温度:-40~80℃
环境温度:-30~65℃
补偿温度:-20~70℃
防爆等级:隔爆兼粉尘Exd Ⅱ CT6 Gb
Ex tD A20 IP67 T80℃
连接螺纹:M20×1.5M可定制
电气连接:2-M20×1.5 2-1/2”NPT可定制
接液材质:316L
壳体材质:铝合金、304SS
