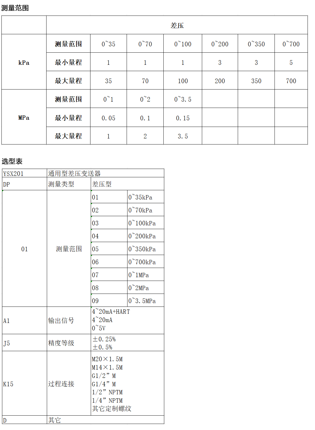
YSX201差压变送器采用最新的结构设计,具有较高的稳定性和抗干扰能力差压范围最大3.5MPa,采用扩散硅传感器,精度最高可达0.25%。
产品应用:
广泛应用于各种过程自控环境,涉及水利水电、铁路交通、智能建筑、生产自控、航空航天、汽车医疗设备,等领域的差压、液位、流量控制等。
量 程:0~35kPa……3.5MPa
精度等级:0.25%FS、0.5%FS
适用介质:液体、气体、蒸汽
输出信号:两线制 4~20 mA
三线制 DC 0~5V
电 源:12~30V
大气压力:86~106kPa
湿 度:45~75%RH
安装方式:垂直安装
不可重复性:≤0.1%FS
长期稳定性:≤0.2%FS/年
响应时间:≤15ms
防护等级:IP65
抗 振 性:10g
介质温度:-40~80℃
环境温度:-30~65℃
补偿温度:-20~70℃
连接螺纹: 2-M20×1.5M
电气连接:赫斯曼接头
接液材质:316L
壳体材质:304SS
